網站地圖
繁中
Español
簡体
日語
ENGLISH
首頁
關於我們
產品介紹
產品應用
生產流程
最新消息
檔案下載
電子型錄
聯絡我們
選單
首頁
產品介紹
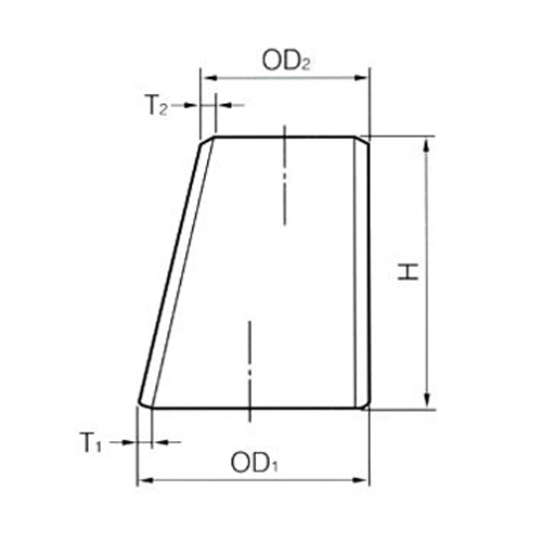
偏心大小頭
偏心大小頭
詢價
上一筆
下一筆
產品規格(en)
產品規格(jp)
ANSI B16.9 B16.28
註(1)異徑管的外形尺寸為14英吋並可製造成更大尺寸的無切線圓錐形。
JIS B2312 & B2313
註(1)異徑管的外形尺寸為14英吋並可製造成更大尺寸的無切線圓錐形。
回前頁