Straight Tee

Straight Tee ANSI B16.9
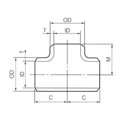
Straight Tee ANSI B16.9
 
  • Dimension(en)
  • Dimension(jp)

ANSI B16.9 B16.28

 

90° Long Radius Elbows

 Note(1) Outlet dimension "M"for run sizes 14 and larger is recommended but not mandatory.

JIS B2312 & B2313